西安自动化仪表一厂

全国服务热线:15389297812

当前位置:首页>产品中心>新产品系列
产品展示

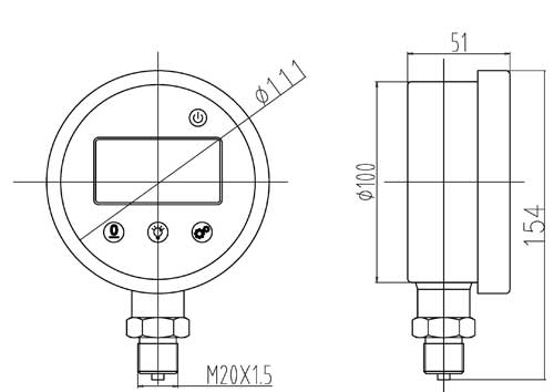
DP-100数字压力表

产品参数 Details

 DP-100是本公司新近研发的一款适合现场测量的精密数字表。具有高准确度和长期稳定性。微功耗、双电源设计,大大降低了用户更换电池的频率。它非常适合现场压力测量及实验室使用,完成精密压力测量和一般压力表、精密压力表等压力仪表的校验工作,它完全可以代替指针式精密压力表。

应用领域

◎ 压力测量;

◎ 校验一般压力表;

◎ 校验血压计;

◎ 校验其他压力仪表。

使用环境

 ◎ 环境温度:(-10~50)℃;

 ◎ 相对湿度:<95%;

 ◎ 大气压力:(86~106)kPa;

 ◎ 存储温度:(-20~70)℃。

典型特点

◎ 存稳定性好:温度漂移小,时间漂移小,抗干扰能力强;

◎ 压力单位转换:mmH2O、mmHg 、inH2O、inHg 、kgf/cm2、psi、kPa、 MPa、Pa 、mbar、bar。 11种压力单位切换。HC-100会根据量程不同自动选择可切换的压力单位。

显示

白色背光,5位数字显示。

供电方式

◎ 内置两DC3.6V一次性锂电池,标配220V转9V电源适配器。

其他指标

◎ 压力接头:M20 × 1.5(或根据用户要求定制);

◎ 通讯接口:485通讯接口,波特率9600bps(选配);

◎ 上下限两路继电器输出功能(选配)。

典型特点

◎ 自动峰值记录:记录压力测量过程中出现的最大和最小数值;

◎ 压力百分比指示:用进度条和百分比数值显示压力测量数值的量程百分比。

常规压力量程选型表 

压力范围

准确度等级

准确度等级

介质

(-100~0)kPa

0.2, G

0.5, G

非腐蚀性的气体

(0~16)kPa

0.2, G

0.5, G

非腐蚀性的气体

(0~25)kPa

0.2, G

0.5, G

非腐蚀性的气体

(0~40)kPa

0.2, G

0.5, G

非腐蚀性的液体或气体

(0~60)kPa

0.2, G

0.5, G

非腐蚀性的液体或气体

(0~100)kPa

0.2, G

0.5, G

非腐蚀性的液体或气体

(0~160)kPa

0.2, G

0.5, G

非腐蚀性的液体或气体

(0~250)kPa

0.2, G

0.5, G

非腐蚀性的液体或气体

(0~400)kPa

0.2, G

0.5, G

非腐蚀性的液体或气体

(0~600)kPa

0.2, G

0.5, G

非腐蚀性的液体或气体

(0~1)MPa

0.2, G

0.5, G

非腐蚀性的液体或气体

(0~1.6)MPa

0.2, G

0.5, G

非腐蚀性的液体或气体

(0~2.5)MPa

0.2, G

0.5, G

非腐蚀性的液体或气体

 

压力范围

准确度等级

准确度等级

介质

(0~4)MPa

0.2, G

0.5, G

非腐蚀性的液体或气体

(0~6)MPa

0.2, G

0.5, G

非腐蚀性的液体或气体

(0~10)MPa

0.2, SG

0.5, SG

非腐蚀性的液体或气体

(0~16)MPa

0.2, SG

0.5, SG

非腐蚀性的液体或气体

(0~25)MPa

0.2, SG

0.5, SG

非腐蚀性的液体或气体

(0~40)MPa

0.2, SG

0.5, SG

非腐蚀性的液体或气体

(0~60)MPa

0.2, SG

0.5, SG

非腐蚀性的液体或气体

复合常规压力量程选型表 

压力范围

准确度等级

准确度等级

介质

±16kPa

0.2, G

0.5, G

非腐蚀性的气体

±25kPa

0.2, G

0.5, G

非腐蚀性的气体

±40kPa

0.2, G

0.5, G

非腐蚀性的液体或气体

±60kPa

0.2, G

0.5, G

非腐蚀性的液体或气体

±100kPa

0.2, G

0.5, G

非腐蚀性的液体或气体

(-100~160)kPa

0.2, G

0.5, G

非腐蚀性的液体或气体

(-100~250)kPa

0.2, G

0.5, G

非腐蚀性的液体或气体

外形尺寸