
全国服务热线:15389297812
DP-100是本公司新近研发的一款适合现场测量的精密数字表。具有高准确度和长期稳定性。微功耗、双电源设计,大大降低了用户更换电池的频率。它非常适合现场压力测量及实验室使用,完成精密压力测量和一般压力表、精密压力表等压力仪表的校验工作,它完全可以代替指针式精密压力表。
应用领域
◎ 压力测量;
◎ 校验一般压力表;
◎ 校验血压计;
◎ 校验其他压力仪表。
使用环境
◎ 环境温度:(-10~50)℃;
◎ 相对湿度:<95%;
◎ 大气压力:(86~106)kPa;
◎ 存储温度:(-20~70)℃。
典型特点
◎ 存稳定性好:温度漂移小,时间漂移小,抗干扰能力强;
◎ 压力单位转换:mmH2O、mmHg 、inH2O、inHg 、kgf/cm2、psi、kPa、 MPa、Pa 、mbar、bar。 11种压力单位切换。HC-100会根据量程不同自动选择可切换的压力单位。
显示
◎ 白色背光,5位数字显示。
供电方式
◎ 内置两节DC3.6V一次性锂电池,标配220V转9V电源适配器。
其他指标
◎ 压力接头:M20 × 1.5(或根据用户要求定制);
◎ 通讯接口:485通讯接口,波特率9600bps(选配);
◎ 上下限两路继电器输出功能(选配)。
典型特点
◎ 自动峰值记录:记录压力测量过程中出现的最大和最小数值;
◎ 压力百分比指示:用进度条和百分比数值显示压力测量数值的量程百分比。
常规压力量程选型表
|
压力范围 |
准确度等级 |
准确度等级 |
介质 |
|
(-100~0)kPa |
0.2, G |
0.5, G |
非腐蚀性的气体 |
|
(0~16)kPa |
0.2, G |
0.5, G |
非腐蚀性的气体 |
|
(0~25)kPa |
0.2, G |
0.5, G |
非腐蚀性的气体 |
|
(0~40)kPa |
0.2, G |
0.5, G |
非腐蚀性的液体或气体 |
|
(0~60)kPa |
0.2, G |
0.5, G |
非腐蚀性的液体或气体 |
|
(0~100)kPa |
0.2, G |
0.5, G |
非腐蚀性的液体或气体 |
|
(0~160)kPa |
0.2, G |
0.5, G |
非腐蚀性的液体或气体 |
|
(0~250)kPa |
0.2, G |
0.5, G |
非腐蚀性的液体或气体 |
|
(0~400)kPa |
0.2, G |
0.5, G |
非腐蚀性的液体或气体 |
|
(0~600)kPa |
0.2, G |
0.5, G |
非腐蚀性的液体或气体 |
|
(0~1)MPa |
0.2, G |
0.5, G |
非腐蚀性的液体或气体 |
|
(0~1.6)MPa |
0.2, G |
0.5, G |
非腐蚀性的液体或气体 |
|
(0~2.5)MPa |
0.2, G |
0.5, G |
非腐蚀性的液体或气体 |
|
压力范围 |
准确度等级 |
准确度等级 |
介质 |
|
(0~4)MPa |
0.2, G |
0.5, G |
非腐蚀性的液体或气体 |
|
(0~6)MPa |
0.2, G |
0.5, G |
非腐蚀性的液体或气体 |
|
(0~10)MPa |
0.2, SG |
0.5, SG |
非腐蚀性的液体或气体 |
|
(0~16)MPa |
0.2, SG |
0.5, SG |
非腐蚀性的液体或气体 |
|
(0~25)MPa |
0.2, SG |
0.5, SG |
非腐蚀性的液体或气体 |
|
(0~40)MPa |
0.2, SG |
0.5, SG |
非腐蚀性的液体或气体 |
|
(0~60)MPa |
0.2, SG |
0.5, SG |
非腐蚀性的液体或气体 |
复合常规压力量程选型表
|
压力范围 |
准确度等级 |
准确度等级 |
介质 |
|
±16kPa |
0.2, G |
0.5, G |
非腐蚀性的气体 |
|
±25kPa |
0.2, G |
0.5, G |
非腐蚀性的气体 |
|
±40kPa |
0.2, G |
0.5, G |
非腐蚀性的液体或气体 |
|
±60kPa |
0.2, G |
0.5, G |
非腐蚀性的液体或气体 |
|
±100kPa |
0.2, G |
0.5, G |
非腐蚀性的液体或气体 |
|
(-100~160)kPa |
0.2, G |
0.5, G |
非腐蚀性的液体或气体 |
|
(-100~250)kPa |
0.2, G |
0.5, G |
非腐蚀性的液体或气体 |
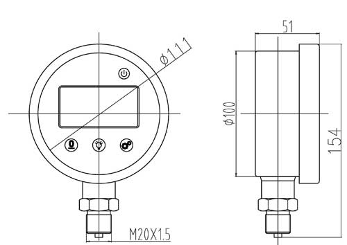
外形尺寸