
全国服务热线:15389297812
用途说明
特种磁助电接点压力表是根据使用工况的不同要求,在普通型磁助电接点压力表的基础上,研制了具有耐 震、耐蚀、氨用、耐蚀耐震及带有隔膜隔离器等功能的多种类型的产品。广泛应用于石油、化工、电站、冶金等 工业部门,在环境较为恶劣和有耐腐要求的场合中测量无爆炸危险的各种流体介质的压力。仪表经与相应的电 气器件配套使用,可达到对被测压力系统实现自动控制和发信(报警)的目的。
型号表示
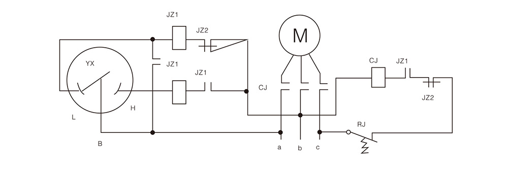
电气电路连接示意图
主要技术指标及功能
◇ 标度范围、精确度等级及接头螺纹尺寸
|
类型 |
型号 |
名称 |
标度范围 |
精确度等级 |
接头螺纹尺寸 |
||
| 指示 | 设定值 | ||||||
| 接通 | 断开 | ||||||
|
专用型 |
YAXC |
磁助电接点氨压力表 |
0~0.16 ~ 60 -0.1~0.06 ~ 2.4 |
2.5 |
2.5 |
4 |
M20×1.5 |
|
抗振型 |
YXC-Z |
抗振型磁助电接点压力表 |
0~0.6 ~ 60 -0.1~0.5 ~ 2.4 |
1.6 |
1.6 |
5 | |
|
耐蚀型 |
YXC-B-F |
耐蚀型磁助电接点压力表 |
0~0.16 ~ 60 -0.1~0.06 ~ 2.4 |
1.6 |
1.6 |
4 | |
|
耐蚀抗振型 |
YXC-B-FZ |
耐蚀抗振型磁助电接点压力表 |
0~0.6 ~ 60 -0.1~0.5 ~ 2.4 |
1.6 |
1.6 |
5 | |
|
隔膜式普通型 |
YXC-/M |
隔膜式磁助电接点压力表 |
0~0.16 ~ 60 -0.1~0.06 ~ 2.4 |
1.6 |
1.6 |
4 |
各类隔离器 |
|
隔膜式耐蚀型 |
YXC-B-F/M | ||||||
|
隔膜式抗振型 |
YXC-Z/M |
0~0.6 ~ 60 -0.1~0.5 ~ 2.4 |
1.6 |
1.6 |
5 | ||
| 隔膜式耐蚀抗振型 | YXC-B-FZ/M | ||||||
◇ 使用环境条件
| 类型 | 工作温度范围 | 相对湿度 |
Performance against
the vibration
|
|
| 介质 | 周围环境 | |||
| 专用型 | -40~70℃ | 不大于85% | V.H. 3 级 | |
| 耐蚀型 | -40~70℃ | 不大于90% | V.H. 3 级 | |
| 抗振型、耐蚀抗振型 | -25~55℃ | V.H. 4 级 | ||
| 隔膜式普通型 | 150℃ 以下 | -40~70℃ | V.H. 3 级 | |
| 隔膜式耐蚀型 | -40~70℃ | |||
| 隔膜式抗振型、耐蚀抗振型 | 150℃ 以下 | -25~55℃ | V.H. 4 级 | |
◇ 温度影响:示值不大于0.4%/10℃,设定点不大于0.6/10℃(使用温度偏离20±5℃),
◇ 接点装置电气参数及控制形式与YXC系列磁助电接点压力表相同。