
全国服务热线:15389297812
用途说明
为了扩大各种通用型压力仪表的使用范围,能适用于测量强腐蚀、高温、高粘度、易结晶、易凝固和 有固体浮游物介质的压力,以及对某些测量介质不能直接进入通用型仪表内和便于清洗防止沉淀物质积聚 的场合的压力检测时,必须采用由隔膜隔离器与通用型压力仪表组成一个系统的隔膜表。
隔膜表主要用于石油、化工、制药、食品、轻纺等工业部门生产过程中的压力检测。
系统构成示意图
结构原理
隔膜压力表由各种通用型压力仪表和不同结构的隔膜隔离器组成一个封闭系统,内充密封液。当被测 介质的压力作用于隔膜时,则隔膜产生变形,压缩封闭系统中的密封液。由于密封液的固有性质,使压力 仪表中的弹性元件产生相应的弹性变形— 位移,经指示装置显示压力值。当隔膜的刚度足够小时,则压力 仪表指示的压力就近于被测介质的压力值。
主要技术指标
◇隔膜表的温度特性
由于隔膜表的系统内填充了密封液作为压力传递的介质,致使隔膜表的温度影响量与密封液体膨胀系数、 隔膜刚度及受压部位的温度有关。对于低量程压力仪表的影响尤为明显。一般受压部温度误差规定不大于 0.1%/℃,所以隔膜表的温度影响一般是由通用压力仪表温度影响量与隔膜隔离器受压部温度影响量两者之和。
◇隔膜表的液位差
尤其对于带软连接管的隔膜表,由于隔膜受压部与通用型压力表安装位置不在同一水平面上,会产生 液位差的影响量△P。在精确测量时更应注意。
◇隔膜表的耐蚀性
隔膜表的耐蚀性可通过合适的选择与测量介质接触部分的隔膜,法兰及密封垫圈的材料来保证。
隔膜材料:0Cr17Ni12Mo2(316);蒙乃尔合金(Cu30Ni70);哈氏合金(H276C);钽(Ta)及氟塑料(F4)。
法兰材料:不锈钢0Cr17Ni12Mo2(316);不锈钢内衬氟塑料(316+F4)。
密封垫圈材料:丁腈橡胶;氟橡胶;硅橡胶及氟塑料。
◇隔膜液的选择
为保证隔膜表使用可靠性和安全性,应根据不同用途选择合适的密封液。
| 密封液 | 受压部温度范围 | 比重(g/cm3) | 体膨胀系数 (1/℃) | 用途 |
| 高粘度硅油 | -10~200℃ | 1.07 | 0.95×10-3 | 高温用 |
| 低粘度硅油 | -30~100℃ | 0.94 | 1.08×10-3 | 一般用 |
| 甘油水溶液 | -5~100℃ | 1.27 | 0.61×10-3 | 食品用 |
| 植物油 | -5~100℃ | 0.93 | 1.03×10-3 | 食品用 |
| 氟油 | -30~150℃ | 1.93 | 0.75×10-3 | 氢、氧 |
型号表示
型号标记示例
标记1:Y-100B/SR/MF(A)/316/4MPa/50-4.0HGJ46
通用仪表为Y-100B不锈钢压力表,连接形式为SR散热式,采用敞开式凸面法兰MF,隔离器(法兰)材 料为碳钢,膜片材料为316不锈钢,测量范围0~4MPa,法兰标准50-4.0HGJ
46。 标记2:YSG-2/Z/MG(B)/哈1/MPa/20-4.0HGJ47
通用仪表为YSG-2电感压力变送器,连接形式为直接,采用工字型法兰MG,隔离器(法兰)材料为 1Cr18Ni9,膜片材料为哈氏合金,测量范围0~1MPa,法兰标准为20-4.0HGJ47。
隔膜装置法兰尺寸
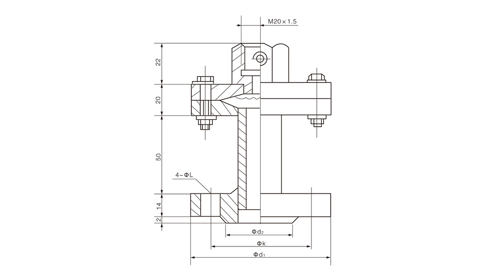
1、敞开式凸面法兰(单位:mm)
| 代号 | 量程上限值P(MPa) | 推荐法兰标准代号 | 凸面法兰尺寸 | 尺寸图 | ||||||
| D | K | d | f | L | C | B | ||||
| MF1 | 4 | JIS-10/20K 50A | 155 | 120 | 100 | 3 | 19 | 18 | 50 | 图一 |
| 4 | 50-1.0/4.0HGJ46 | 160 | 125 | 100 | 3 | 19 | 18 | 50 | ||
| 4 | ANSI-2B 15 0lb | 152 | 121 | 92.1 | 3 | 19 | 18 | 2" | ||
| 4 | ANSI-2B 300/100lb | 165 | 127 | 92.1 | 3 | 19 | 18 | 2" | ||
| 6-10 | 25-10.0 HGJ47 | 125 | 89 | 50.8 | 7 | 20 | 20 | 25 | 图二 | |
| 6-10 | 50-10.0HGJ47 | 165 | 127 | 92.1 | 3.5 | 20 | 26 | 50 | ||
| 16-15 | 20-25.0 HGJ53 | 130 | 89 | 43 | 7 | 22 | 20 | 25 | ||
| MF | 4 | 25-4.0 DIN | 115 | 85 | 65 | 3 | M12 | 26 | 25 | 图三 |
* 均可按用户提供或指定的法兰标准尺寸制造
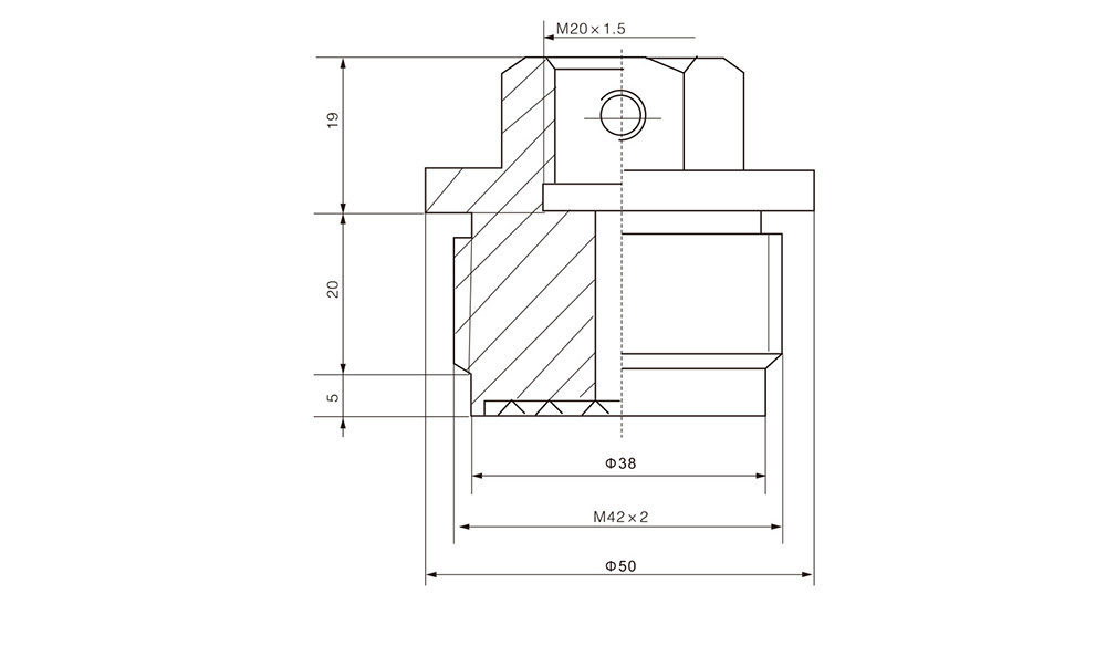
2、工字形凸面法兰[代号MG]
量程上限值: ≤4MPa(单位:mm)
| 推荐法兰标准代号 | 尺 寸 | ||||
| DN | D1 | K | D2 | L | |
| JSI-10/25K 25A | 25 | 125 | 90 | 70 | 19 |
| JSI-10/20K20A | 20 | 100 | 75 | 58 | 15 |
| JSI-10/20K15A | 15 | 95 | 70 | 52 | 15 |
| ANSI-1B-15lb | 1" | 108 | 79.4 | 50.8 | 15.7 |
| ANSI-1B-300/600lb | 1" | 124 | 88.9 | 50.8 | 19.1 |
| 20-1.0/4.0HGJ47 | 20 | 105 | 75 | 56 | 14 |
* 均可按用户提供或指定的法兰标准尺寸制造
3、螺纹接头式[ML]
量程上限值t:≤60MPa
4、螺栓式隔膜隔离器[代号MZ]
测 量 范 围 :1~25MPa
隔 膜 和 隔 膜座材料 :0Cr17Ni12Mo2[316]
5、卡箍式隔膜隔离器[代号MC]
6、螺母式隔膜隔离器[代号MN]
7、矩形法兰式隔膜隔离器[代号MH]
注:5、6、7均见卫生型隔膜压力表专页。
外形尺寸