
全国服务热线:15389297812
用途说明
双针压力表主要适用于机车车辆上测量液压系统或储气缸内的压力,亦可同时测量对铜合金及锡铅合金 纤料无腐蚀性、非结晶和非凝固介质的两个相同或不相同的压力。
结构原理
仪表由两套各自独立的测量系统和指示装置组成。被测压力作用于两测压元件(弹簧管)后致使管端各自产 生相应的位移,经传动机构放大后,由固定在齿轮轴上的红、黑指针逐将两个被测压力值分别在度盘上指示出 来。
主要技术指标
◇ 精确度等级:1.6。
◇ 标度范围:0~1000;1200;1600;2500KPa。
◇ 使用环境条件:5~60℃,相对湿度不大于80%。
◇ 温度影响:不大于0.4%/10℃(使用温度偏离20±5℃)。
◇ 重量:0.7kg。
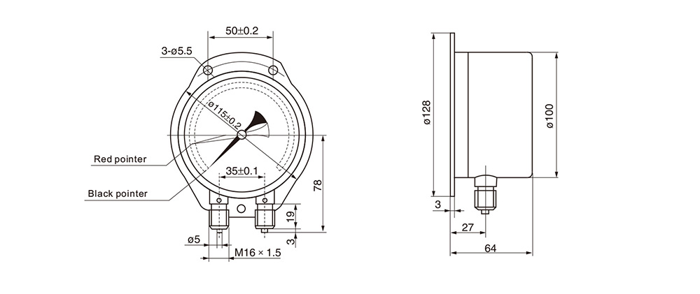
◎外形尺寸(单位:mm)