
全国服务热线:15389297812
产品概述
YK-100抗震泥浆压力表,用于石油钻井开采、化工、机械、煤碳、冶金、电力、地质矿山、大型泵站、部 门的钻井、防喷设备等领域。也可用来测量静压。仪表具有良好的抗震性能。在使用时不但能承受被测介质的剧 烈脉动,而且能承受瞬时性压力冲击,以及安装位置和运输过程的颠震,指示平稳、清晰。YK-100压力表具有被 测介质不需进入仪表内部的防堵优点,因此允许介质高粘度、高粒度、易凝固等,如泥浆。使用安全可靠。
仪表原理
仪表通过内部灌充阻尼液及内置阻尼结构,来实现在震动较强的环境中使用的目的;通过膜片隔离结构来满 足测量高粘度、高颗粒、易凝固介质压力的需求;通过表盘指示机构与内置叉簧弹性元件设计这一核心关键技 术,使仪表指示清晰、平稳、精确。
被测介质作用于仪表接头上的密封橡胶膜片,通过橡胶膜片传递到仪表内部的膜盒体,作用于叉簧上,使叉 簧两翼发生位移,通过齿轮机构带动指针旋转从而实现测量压力的目的。被测介质不进入仪表内部,从而达到防 堵、防凝固的效果。
技术参数
◇精度等级:1.6%、2.5%
◇压力范围:16MPa、25MPa、30MPa、40MPa、60MPa
◇螺纹大小:R3/2、R2, PTN2、M42×2(特殊螺纹请先咨询)
◇阻 尼 液:硅油、甘油
◇工作环境温度:-25℃~5 5℃
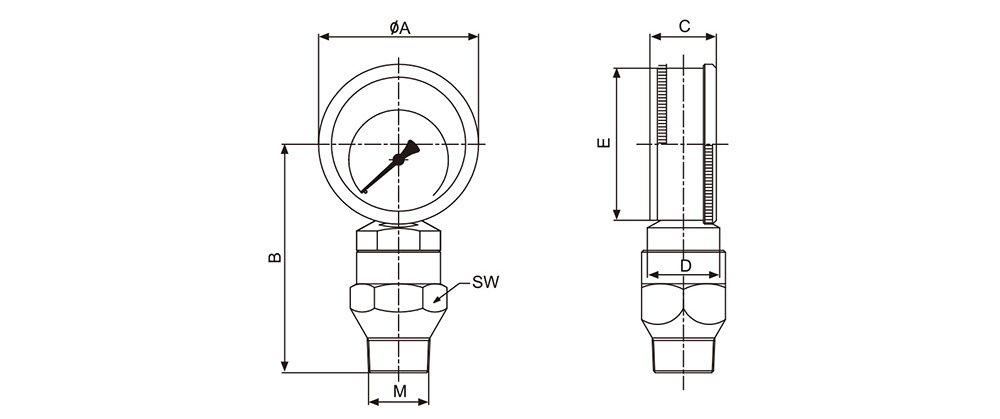
◎外形尺寸(mm)
| 型号 | 尺寸 | ||||||
| φA | B | C | D | E | SW | M | |
| YK-100 | 124 | 177 | 51.5 | 56 | 118 | 65 |
R3/2、R2 NPT2等 |