
全国服务热线:15389297812
用途说明
CYW-152B 及 CYW-153B 不锈钢差压表(以下简称仪表)适用于化工、化纤、冶金、电力、核电等工业 部门的工艺流程中测量各种液(气)体介质的差压、流量等参数。仪表结构全部采用不锈钢制成,其中的测量系 统(双波纹管及连接部件)、导压系统(包括接头、导管等)采用特种奥氏体不锈钢制成,具有较强的耐腐蚀及 抗工作环境侵蚀影响。仪表整体结构设计合理、工艺先进、具有体积小、重量轻、稳定性好、使用寿命长、 ]外观新颖、适应性强等优点。仪表接头的连接形式有平行式(可直接与三阀组连接)和斜式两种,能够适应不 同用户的配套安装。
结构原理
仪表采用双波纹管结构,即两只波纹管分别安装在“ 工” 字型支架两侧的对称位置上。“ 工” 字型支 架的上下两端分别为活动端和固定端,中间由弹簧片相连接;两只波纹管呈平行状态,分别用导管与表壳 上的高低压接头相连接;齿轮传动机构直接安装在支架的固定端,并通过拉杆与支架的活动端相连接;度 盘则直接固定在齿轮传动机构上。
仪表的工作原理:基于感压元件采用两只具有相同刚度的波纹管,因此在同一被测介质下迫使其产生 相同的集中力分别作用于活动支架上,由于弹簧片两侧在等力矩作用下不产生挠度,故支架还处于原始位 置,这样齿轮传动机构也不动作,使指针仍指在零位。
当施加不同压力(一般高压端高于低压端)时,两波纹管作用在活动支架上的力则不相等,使分别产生相 应的位移,并带动齿轮传动机构传动并予放大,由指针偏转后指示出两者之间的差压值。
主要技术指标
◇差压的测量范围、公称工作压力、精确度等级及接头螺纹尺寸:
| 差压的测量范围 | 公称工作压力 | 精确度等级 | 接头螺纹尺寸 | ||
|
0~10 0~16 0~25 0~40 0~60 0~100 |
KPa |
60 100 160 250 400 600 |
KPa | 2.5 |
M20×1.5 NPT 1/2 |
|
0~0.16 0~0.25 0~0.40 0~0.60 0~1 0~1.6 0~2.5 |
MPa |
1 1.6 2.5 4 6 10 10 |
MPa | ||
◇ 导压系统及外壳等材质
| 零件名称 | 材质牌号(代号) |
| 接头、导管 | OCr17Ni12Mo2(316) |
| 波纹管 | OOCr17Ni14Mo2(316L) |
| 表壳、表盖、表环 | OCr18Ni9(304) |
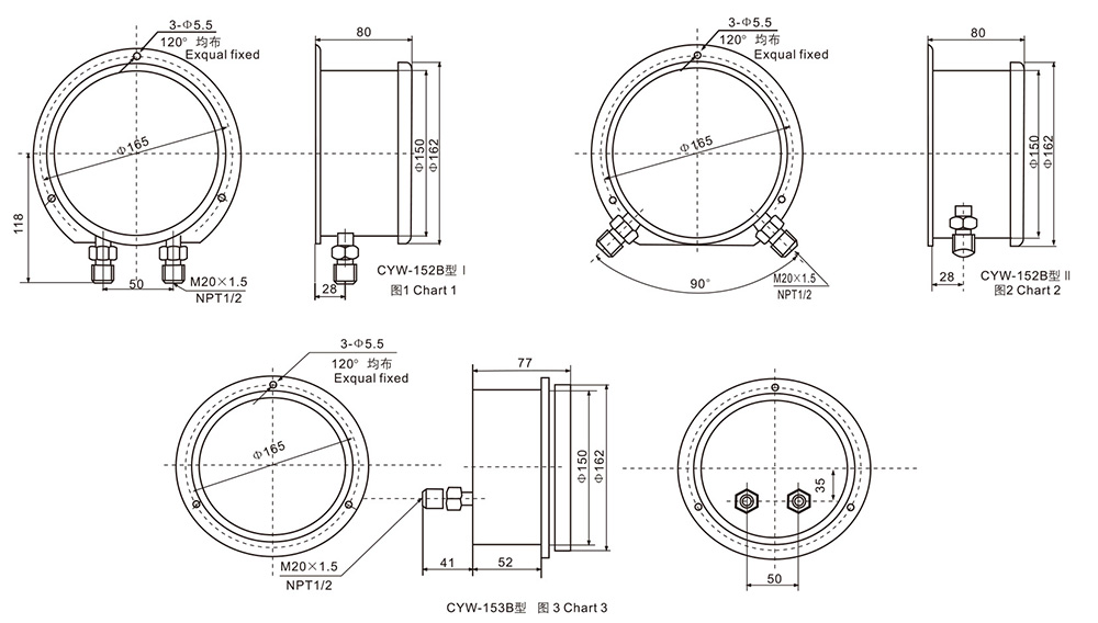
◇ 外型及安装尺寸:见图1、图2、图3
◇ 使用环境温度:-40~70℃
◇ 抗工作环境振动:V.H.3级
◇ 重量:约1.5kg
◇ 仪表外壳防护等级:IP54
◇ 仪表技术性能符合企业标准Q/YXBM831-1997《不锈钢差压表》